# 数据链模块V21-C规格书V1.0
V21-C板卡支持1.4Ghz频段,支持软件采用双发双收方案(MIMO和CA)来确保图传链路的稳定性,支持外接PA。

# 参数指标

| 频段 | 1427-1517MHz |
|---|---|
| 功率 | 发射功率:23dBm±2 |
| 带宽 | 支持1.4/3/5/10/20MHz |
| 灵敏度(接入) | 1.4GHz频段 |
| 灵敏度(BLER≤3%) | 1.4GHz频段 |
| 传输距离 | 最远支持5km |
| 速率 | 最大100Mbps |
| 移动速度 | 相对速度最大300km/h |
| 电源 | 模块:VSYS(4V) 底板:DCIN电压5-20V(典型值5V/12V),供电能力3A以上, 纹波小于50mV。 |
| 功耗 | 5W |
| 温度 | 工作温度:-20~55℃ 储存温度:-40~85℃ |
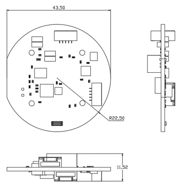
| 尺寸 | Φ45 |
# 功能特点
- 网络中任意节点可以配置成中心节点;
- 最多64个业务节点+64个节点Idle态节点;
- 支持多个从节点同时开机接入网络;
- 可以不依赖于外部时钟,网络自同步;
- 支持智能选频和400跳/秒跳频,支持频段间跳频;
- 支持从节点在多中心节点切换,漫游STA切换时间小于500ms(3个频点以内布网);
- 支持 ZUC,SNOW3G,AES128 三种加密方式可选。
# V21-C接口


| 序号 | 接口类型 | 接口数量 | 备注 |
|---|---|---|---|
| ① | 调试口 | 1 | 用户调试 |
| ② | 网口 | 1 | |
| ③ | 电源输入串口 | 1 |